摘要
“完善碳排放统计核算体系,稳步实施地方碳考核、行业碳管控、企业碳管理、项目碳评价、产品碳足迹等政策制度。发展建设零碳工厂和园区。”分布式能源,
-“十五五”规划建议
随着“双碳”目标深入推进,新型电力系统建设加速,配电网正迎来深刻变革。高比例分布式能源接入、电动汽车规模化充电、用户互动需求激增……传统配电网管理模式面临前所*有的挑战:
分布式能源“看不住”:光伏、风电等波动性电源大量接入,局部过电压、倒送功率等问题频发。
海量负荷“管不住”:电动汽车无序充电、工商业负荷波动加剧,峰谷差拉大,配变重过载风险陡增。
源网荷储“联不动”:分散资源缺乏有效聚合协调,难以支撑电网安全稳定运行与高效消纳新能源。
精准调控“做不到”:传统“被动响应”模式滞后,难以满足新型配电网实时感知、快速决策、精准控制的要求。
破解困局,亟需一场“智慧”升级!
基于新型配电网的核心要求,我们推出新一代“灵犀”智慧能源管理平台,以“全域感知、智能决策、柔性控制、价值聚合”为核心理念,为配电网注入强大的“数智基因”,赋能源网荷储高效协同。
1. 新型配电网对新能源建设的要求
10kV配电网属于负荷侧,主要用于为工商业用户和大型公共设施供电。导则规定了10kV及以下交流配电网在规划、网架结构与设备、建设与改造、运维检修、新能源接入、二次系统等方面的技术要求,适用于城镇、农村等地区配电网规划、建设、改造和运维。此外,导则对配电网适应新型电力系统做了要求,核心目的保障配电网可靠供电、提升清洁能源接纳能力、适应多元负荷需求,推动配电网智能化、绿色化发展。
导则对分布式电源并网要求:“9.3.2 分布式电源并网功率控制、电压和频率的适应性、防孤岛保护等应符合 GB/T33593的规定,通过三相接入配电网的分布式电源应具备功率控制和高、低电压穿越能力。电化学储能装置接入配电网应符合 GB/T36547的规定。”
对新能源消纳的要求:“9.3.4 分布式电源应就近接入配电网。当配电网承载力不足时,宜采取必要的适应性改造措施,提高分布式电源就地消纳能力。”
对电动汽车充换电设施的要求:“9.4.6 电动汽车充电设施宜具备有序充电功能,充换电设施宜具备双向交换电能、车网互动等支持配电网功率调节的功能。”
对二次系统的要求:“10.1.5 配电网二次系统建设应满足分布式电源、储能装置以及电动汽车充换电设施等接入和协调控制需求。”
2. 储能物联网系统
智能化配电网络,需要怎样的“中枢大脑”?
AcrelEMS3.0该平台基于“云边端”协同理念,融合物联网、大数据与AI预测算法,通过集中监测、智能调控和经济调度,实现新型配电网的全局感知、局部优化与自主协同为新能源工程包括分布式光伏、储能、充电站提供软硬件一体化解决方案。

为一个包含分布式光伏、储能、汽车充电站和传统用电负荷组成的新型10kV配电网,由10kV开闭所、10kV并网分布式光伏系统、10kV并网储能系统、电动汽车充电站以及其它负荷组成。安科瑞提供的解决方案包括:
10kV分布式光伏和储能系统防孤岛保护、电能质量监测、防逆流控制以及新能源并网的数据安全和调度对接;
交直流充电桩以及有序充电解决方案;
10kV配电网继电保护、箱变测控、故障诊断以及电气监控;
通过“云-边-端”协同为新能源站点提供新能源消纳、防逆流控制等多种能源使用策略;
提供1+N运维管理方案:1套云平台,N个新能源场站运维管理。
三大核心子系统,覆盖光储充场景全链条
分布式光伏监控系统
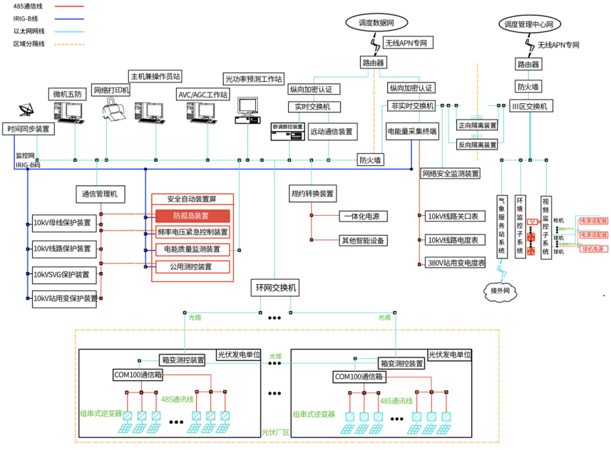
Acrel-1000DP系统支持与主流逆变器、箱变、电能质量监测设备、功率控制器等设备通讯,具备本地遥控、告警联动、有功无功调节、网络安全防护等能力。支持频率/电压紧急控制,防孤岛保护,适配新型操作系统,满足调度平台的数据对接与电网安全运行的技术要求。

10kV线路接入的光伏电站容量范围通常在400kW~6MW,安科瑞Acrel-1000DP分布式光伏发电监控系统,可兼容国产麒麟操作系统,采集现场逆变器、箱变测控装置、防孤岛保护、防逆流控制装置、计量仪表、电能质量在线监测装置、直流屏等设备数据,本地实时显示和报警,提供远程遥控操作和调节,并具备光功率预测、有功/无功功率控制、频率电压紧急控制等功能,此外,系统配置网络安全监测、横向隔离、纵向加密认证装置以满足电网数据安全要求,数据上传调度系统以满足并网要求,为用户提供分布式光伏监控和并网方案,保障光伏电站运行稳定可靠性。
光伏监控系统需要使用相关保护、测控、稳控、分析及数据安全和通讯设备,典型的分布式光伏电站并网系统需要用到的二次设备如下表所示。
储能系统能量管理平台
在10kV并网储能系统中,安科瑞的解决方案支持对接BMS、PCS、电量仪表与消防环境监测设备,具备直流绝缘监测、电能质量分析、峰谷套利、防逆流控制等功能。Acrel2000MG能量管理系统可实施多种运行策略控制。
Acrel-2000MG微电网能量管理系统具有完善的电池管理功能和丰富的外部通信接口,可实现对储能系统、充电系统、光伏系统等智能设备的运行信息实时监控,包括对储能系统内电压、电流、温度、压力、流量等信息采集、实时监视、优化管理、智能维护及信息查询功能。具备新能源消纳、峰谷套利、防逆流、需量控制、柔性扩容、限电模式等多种控制策略,保障储能系统安全稳定、智能运行。
有序充电运营管理系统
针对充电桩负荷对配电变压器的影响,Acrel开发了APSMS平台,结合峰谷电价与负荷预测模型,实现充电桩的有序调控与柔性管理,提升变压器负荷率的可控性,降低电能使用成本。
AcrelEMS3.0平台采用分层控制策略:
端侧控制:设备层执行电压/频率控制、MAX功率点跟踪等功能;
边侧调度:本地控制器实现新能源协调、负荷管理、防逆流策略等;
云端优化:基于大数据分析进行功率预测、能源经济性评估与策略下发。
平台支持分布式站点的统一调度与管理,可通过“1套平台+N个场站”的部署形式,灵活适应大型园区、工商业企业、光储充一体站等复杂电力环境。“云边端”三层策略协同:数据驱动能源优化

终端设备控制策略是现场设备在并网、离网状态下的运行策略,包括有功功率/无功功率控制、电压/频率控制/MA功率追踪、虚拟同步发电机惯量控制等多种策略,由储能变流器、光伏逆变器、充电桩等设备提供;
边端协调控制策略是本地ACCU-100协调控制器或Acrel-2000MG能量管理系统执行的能源策略,包括新能源消纳、防逆流控制、峰谷套利、柔性扩容、需量控制、限电模式等等,这些策略可以在本地执行;
云端优化控制策略是AcrelEMS3.0平台基于发电预测、负荷预测、电价波动以及虚拟电厂平台的调度指令而做出的策略优化,这些策略下发给本地协调控制器或能量管理系统来执行。
AcrelEMS3.0智慧能源管理平台主要包含以下功能:
综合监控:实现配电网配电室、光伏系统、储能系统、负荷、充电桩、环境数据的采集、监测、可视化展示、异常告警、事件查询、报表统计等功能;
智能控制:协同光伏、储能、负载等多种能源主体,动态规划智能策略,实现储能、光伏协调控制,比如计划曲线、削峰填谷、防逆流、新能源消纳、需量控制等;
能源分析:具备微电网能耗及效益分析、微电网经济运行分析、多维度电量分析,并进行日、月、年能源报表统计;
功率预测:以历史光伏输出功率和历史数值天气数据为基础,结合数值天气预报数据和光伏发电单元的地理位置,采用深度学习算法建立预测模型库,实现光伏发电的短时和超短时功率预测,并经进行误差分析;同时对微电网内所有负荷,基于历史负荷数据,通过大数据分析算法,预测负荷功率曲线。
优化调度:根据分布式能源发电预测、负荷预测结果,并结合分时电价、电网交互功率及储能约束条件等因素,以用电成本降低碳排放降低为目标,建立优化模型,采用深度学习算法解析微电网运行功率计划,系统通过将功率计划进行分解,实现对光伏、储能、充电桩的优化控制。
智慧能源管理的核心价值在哪里?
运行安全:实现并网保护、电能质量控制、紧急功率调度等保障机制;
能源利用大化:提升新能源就地消纳能力,支持协同运行;
能效与经济优化:通过发电与负荷预测、成本模型构建,实现节能与降本;
数字化运维:支持远程监控、异常告警、事件追溯与数据可视化运维。
结语
新型配电网是构建新型电力系统的关键一环,对能源管理提出了更高、更智能的要求。智慧能源管理平台,正是应运而生的关键支撑工具。它以先*的数字化、智能化技术为核心,打通源网荷储各环节,实现高效协同与价值创造。