在工业生产车间里,最让人猝不及防的“隐形杀手"不是设备老化,也不是操作失误,而是持续仅毫秒级的“晃电"。这种看似不起眼的电压暂降,却能让整条生产线瞬间停摆,留下满地报废的原料和故障设备,成为企业盈利路上的“拦路虎"
别让“毫秒级"晃电,造成“百万级"损失
很多企业对晃电的危害认知不足,总觉得电压波动只是瞬间的事,不会有太大影响。但事实恰恰相反,工业生产的连续性一旦被打破,引发的连锁反应往往难以估量。

更棘手的是,晃电的诱因无处不在。雷电击中输电线路、电网负荷突增、企业内部大功率设备启停,都可能引发电压暂降。这种随机性让企业防不胜防,而传统的供电保护方案要么响应速度慢,要么成本过高,难以形成有效防护。
安科瑞ARD-KHD装置:毫秒级响应,守住生产连续性
面对晃电难题,安科瑞ARD-KHD系列抗晃电装置给出了精准解决方案,就像给生产线装上“稳电盾",从而杜*晃电引发的停产损失。
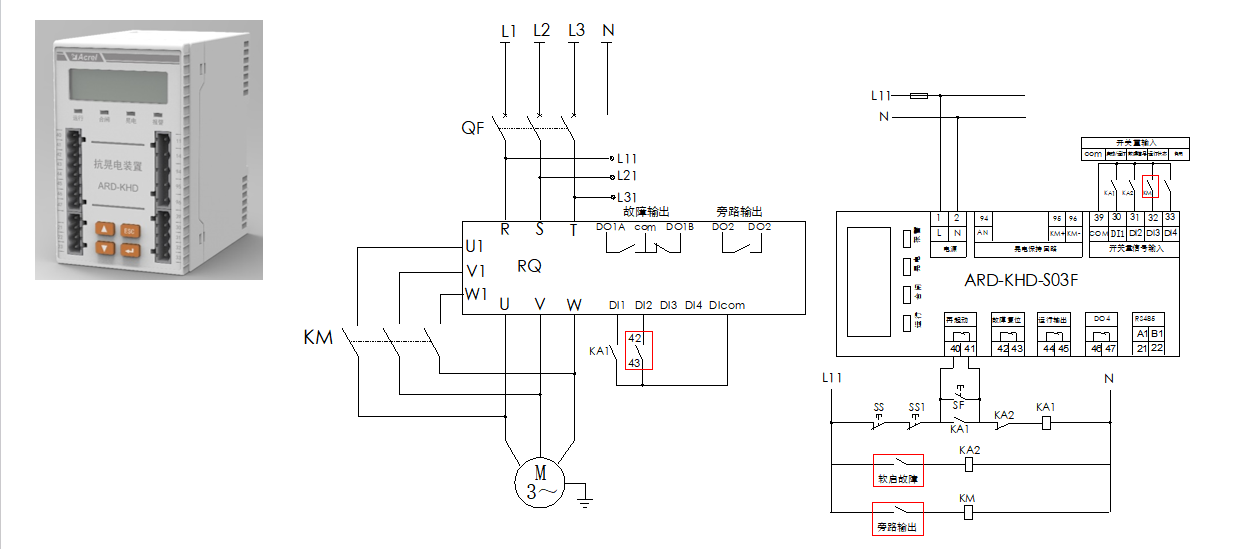
其核心优势在于“晃电保持+自动再启"的双功能设计,完*适配工业生产的实际需求。当电网发生电压暂降时,装置内置的超级电容会瞬间启动储能供电,为接触器持续提供稳定电源,避免触头弹跳断开,响应速度快于1毫秒,即使晃电导致设备意外停机,电压恢复后装置也能自动触发重启程序,让电机、变频器等关键设备快速恢复运行,无需人工干预,*大限度缩短停机时间。
针对不同生产场景,安科瑞ARD-KHD系列还提供了差异化选择:ARD-KHD-S03A/B型号适配普通接触器回路,ARD-KHD-S03F专门针对变频器、软起回路设计,无需改动原有线路即可安装,接线方便。装置还具备事件记录功能,可存储16条各类晃电相关事件,方便用户后续追溯分析,为电网优化提供数据支持。
无论是石化、钢铁等连续生产行业,还是电子、精密制造等敏感负荷场景,安科瑞ARD-KHD装置都能精准适配。它不仅解决了传统治理方案成本高、部署复杂的痛点,更以高性价比实现了“晃电不停车"的核心需求,让企业无需再为瞬间电压波动付出沉重代价。
选对“稳电盾",让生产少走弯路
工业生产的核心竞争力,在于连续性和稳定性。一次晃电造成的不仅是直接经济损失,更可能打乱生产计划、影响客户信任。安科瑞ARD-KHD系列抗晃电装置经过众多行业实战验证,从雷雨天气的电网波动,到内部设备启停的电压冲击,安科瑞ARD-KHD装置始终坚守防线,让原料报废、设备故障的窘境不再发生。给生产线装上这层“稳电盾",就是给企业盈利加上“安全阀",让每一分投入都转化为持续的生产效益。